歡迎光臨本店
檢視購物車
|
關於我們
首頁
郵寄查詢
所有分類
NVR IPCAM 網路攝影機
PoE交換器/PoE延長器
POE 網路攝影機
4路NVR
4路NVR POE套餐
8路NVR
8路NVR POE套餐
16路NVR
16路NVR POE套餐
32路NVR/64路NVR
WIFI 攝影機
科學玩具
電池動力玩具
太陽能動力玩具
空氣動力玩具
液壓動力玩具
鹽水動力
其他玩具
插頭/插座
DIN插頭/DIN插座
電源插頭插座
RCA插頭/RCA插座
麥克風耳機插頭/麥克風耳機插座
16mm金屬連接器
麥克風連接器/佳能插頭/佳能插座
香蕉插頭
博士端子
DC電源頭/DC電源座/DC轉換頭
SPEAKON / POWERKON
電話/網路周邊零組件
網路配件
網路線
電話配件
影音器材配件
AV信號轉換頭
喇叭接線座/喇叭Y型端子
數位/第四台訊號強波器
RF連接器
電視分配器/分歧器/db衰減器
各式影音線材
監視器專用線材
USB傳輸線
HDMI 數位線
光纖線
電話線
VGA線材
細配線
AV影音線材
監視器施工配件
監視器通用配件
CVBS類比影像用配件
AHD監視器用配件
液晶電視架/喇叭吊架/麥克風架
電視架
喇叭吊架
麥克風架
工程寶
AHD/TVI DVR 監視器
AVTECH 陞泰DVR
ICATCH 可取DVR
HISHARP 昇銳DVR
多合一DVR
HD 高清攝影機
1080P 200萬高清攝影機
1920P 500萬高清攝影機
960H 攝影機
門禁考勤系統
Mifare讀卡機
門禁電鎖
門禁卡片及鑰匙圈
門禁訊號轉換器
節電器
門禁相關配件
擴音機/擴大機/喇叭
鐘王牌擴音機
鐘王牌車用型擴大器
定時音樂播放器
鐘王牌機櫃型擴大機
PA控制設備轉換器
麥克風專區
喇叭筒
喇叭頭
號角型喇叭
PA廣播喇叭/廣播音箱
中間匹配變壓器
PA廣播喇叭控制切換設備
大同電鍋維修零件
FRONTIER TIMER 數位定時器
製冰機維修零件
製冰機進水閥
洗衣機維修零件
洗衣機進水電磁閥
洗衣機排水電磁閥
洗衣機進水管
洗衣機滾筒皮帶
脫水定時器
洗衣機水位開關
冰箱維修零件
冰箱風扇馬達
除霜定時器
冰箱溫度開關/溫度保險絲
冰箱調溫器
恆溫器/加熱器/感溫器
啓動繼電器/過載保護器
冰箱電燈開關
冰箱風扇
冰箱電腦機板
除濕機維修零件
除濕機風扇馬達
除濕機風扇
乾衣機維修零件
乾衣機用皮帶
乾衣機加熱器
乾衣機定時器/開關
乾衣機濾網
乾衣機滾筒皮帶輪
電暖器維修零件
冷氣維修零件
冷氣風向馬達
冷氣壓縮機過負載保護器
冷氣溫度控制機板
電風扇維修零件
烘碗機維修零件
電錶/測試儀
鉤錶
三用電錶/數位錶
照度計
溫度錶/濕度錶
風速計/噪音計
鐳射測距儀
斷路測試器
驗電筆
探測器
電話測試器
電動工具
光纖工具類
電焊烙鐵類
日本 HAKKO 白光牌
日本 GOOT
SMD拔放台
電烙鐵
瓦斯烙鐵
烙鐵架
吸錫線
吸錫器
焊錫
其它烙鐵相關產品
手工具
行動電話專用工具組
剝線鉗
電話鉗/網路鉗/壓線器
同軸/電纜壓著鉗
放大鏡
起子/套筒/扳手
防靜電類
六角扳手/梅花板手
剪刀類
電工剪鉗類
精密剪鉗類
精密鑷子類
熱風槍
熱溶膠槍
其他工具類
萬用盒/零件盒/儀器盒/防水盒
工具箱/工具包
居家安全
小夜燈
警報器/警示燈/緊急按鈕
電源遙控器/鐵捲門遙控器
電燈感應器
電源延長線組
3P延長線
2P延長線
USB智慧型充電組延長線
電腦週邊零件
VGA
電力快速連接器/電源公母連結器
電容
NIPPON 電解電容
AC啟動電容
金屬薄膜電容器
金電容
無極性NP電容
陶瓷電容
金屬皮膜電容
積層電容
電解電容
旋鈕/按鈕
電阻
單層可變電阻
雙層可變電阻
水泥電阻5W
水泥電阻10W
水泥電阻20W
水泥電阻30W
水泥電阻40W
金屬皮膜電阻1W
金屬皮膜電阻2W
金屬皮膜電阻3W
碳膜電阻0.25W
碳膜電阻0.5W
SMD電阻0805
SMD電阻0603
SMD電阻0402
SMD電阻1206
繼電器/座
繼電器 RELAY
計時繼電器 TIMER RELAY
繼電器座
開關
無段式按鍵開關
有段式按鍵開關
搖頭開關
鑰匙開關
波段.滑動開關
微動開關
帶燈開關
TACT 輕觸開關
磁簧開關
洛克開關
無熔絲開關
居家生活用開關
散熱片/散熱風扇
保險絲/保險絲座/突波吸收器
汽車保險絲座
保險絲座
溫度保險絲
復歸式保險絲
汽車保險絲
10mm保險絲
20mm保險絲
30mm保險絲
38mm保險絲
40mm保險絲
突波吸收器
壓著端子
絕緣套
公母插端子
旗型裸端子
尼龍絕緣旗型端子
鉤型公母插
針型端子
子彈型端子
中接端子
Y型端子
圓型端子
短銅管
長銅管
鱷魚夾/電池夾/錶棒/測試勾
端子台
單面端子台
雙面端子台
二極體
套管
絕緣套管
汽車周邊零組件
交換式電源穩壓器/變壓器/DC轉接頭
交換式電源穩壓器
升降壓變壓器
噴劑
螺旋式壓縮機維修
KOBE 螺旋式壓縮機
大金螺旋式壓縮機
日立螺旋式壓縮機
復盛螺旋式壓縮機
漢鐘螺旋式壓縮機
韓國世紀螺旋式壓縮機
進階搜尋
目前位置:
首頁
>
插頭/插座
>
麥克風連接器/佳能插頭/佳能插座
>
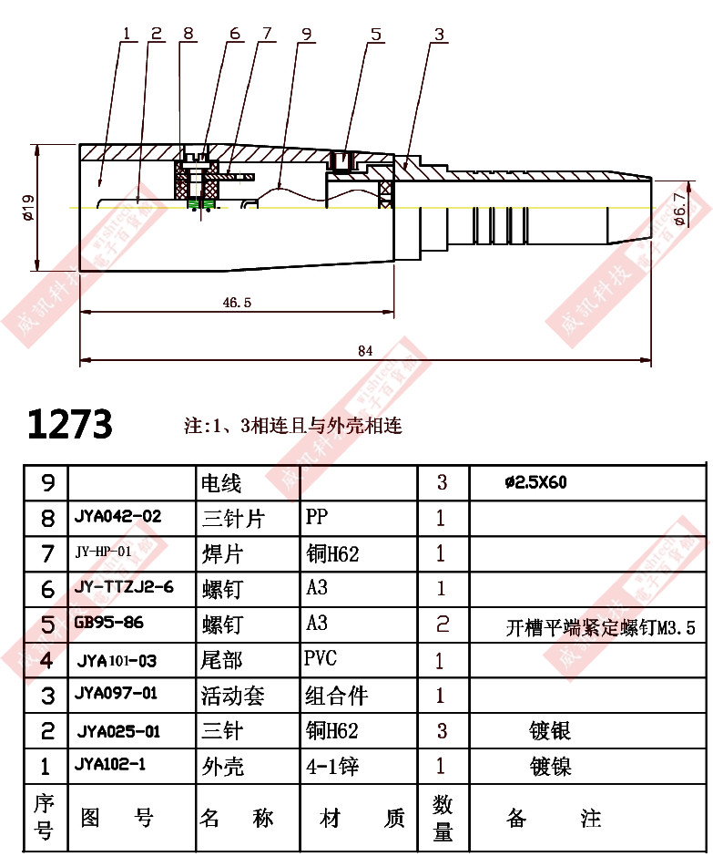
1273 麥克風連接器 3P佳能公頭轉6.3單音母座
您的購物車中有 0 件商品,總計金額 NT 0.00 元。
DIN插頭/DIN插座
電源插頭插座
RCA插頭/RCA插座
麥克風耳機插頭/麥克風耳機插座
16mm金屬連接器
麥克風連接器/佳能插頭/佳能插座
香蕉插頭
博士端子
DC電源頭/DC電源座/DC轉換頭
SPEAKON / POWERKON
瀏覽歷史
HW-1303 TOPFORZA 峰浩9...
本店售價:
NT 300 元
KB-400PMF鐘王牌 PMF擴大機 ...
本店售價:
NT 14200 元
KZM2200UF16V NIPPON ...
本店售價:
NT 11 元
MT-7071 寶工 Pro'sKit ...
本店售價:
NT 4700 元
773-173 WAGO 3P插線式連接...
本店售價:
NT 20 元
[清空]
1273 麥克風連接器 3P佳能公頭轉6.3單音母座
訂購或自取請先電洽是否有現貨
02-2389-8682
/
0989020910
本店售價:
NT 90 元
會員評價:
商品總價:
購買數量:
訂購方式︰
1、網路訂購︰
請加
LINE訂購
,LINE ID︰
0989020910
2、
E-mail 訂購︰a2389.b8682@gmail.com
3、電話訂購
(中午12:00~下午17:30)
︰02-23898682 李副理
4
、威訊科技
LINE
ID︰0989020910
商品描述:
商品屬性
1273 麥克風連接器 3P佳能公頭轉6.3單音母座
商品標籤
會員評論
(共
0
則評論)
暫時還沒有任何會員評論
總計 0 個記錄,共 1 頁。
第一頁
上一頁
下一頁
最末頁
會員名稱:
匿名會員
E-mail:
評價等級:
評論內容:
驗證碼:
常見問題
-
聯絡我們
© 2005-2025 威訊科技電子百貨館 版權所有,並保留所有權利。
台北市萬華區西寧南路19號 Tel: 02-23898682 0989-020910 李副理 E-mail: a2389.b8682@gmail.com